T31 Series Manufacturer & Engineering Part Numbers
Parts ListingsAll parts inquiries must include a complete pump description with materials of construction, motor information and special options or the serial number of the pump to insure the correct parts are quoted. |
|||
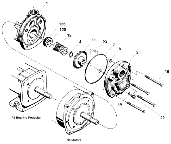
T31 Horizontal Close-coupled & pedestal Mounted Standard Pump Configurations |
|||
Part Numbers subject to change without notice
|
|||
| See Available Seal Kits Below | |||
| Ref. No. | Part/Description | Material | Part Number |
| 1 | T31A Motor Bracket | Bronze | 1-3214-0A-206 |
| 316 Stainless | 1-3214-0A-104 | ||
| T31B Motor Bracket | Bronze | 1-3217-0B-206 | |
| 316 Stainless | 1-3217-0B-104 | ||
| T31C Motor Bracket | Bronze | 1-3219-0C-206 | |
| 316 Stainless | 1-3219-0C-104 | ||
| T31D Motor Bracket | Bronze | 1-3221-0D-206 | |
| 316 Stainless | 1-3221-0D-104 | ||
| T31E Motor Bracket | Bronze | 1-3223-0E-206 | |
| 316 Stainless | 1-3223-0E-104 | ||
| T31F Motor Bracket | Bronze | 1-3225-0F-206 | |
| 316 Stainless | 1-3225-0F-104 | ||
| T31G Motor Bracket | Bronze | 1-3227-0G-206 | |
| 316 Stainless | 1-3227-0G-104 | ||
| T31H Motor Bracket | Bronze | 1-3229-0H-206 | |
| 316 Stainless | 1-3229-0H-104 | ||
| 2 | T31A Cover | Bronze | 2-3215-0A-206 |
| 316 Stainless | 2-3215-0A-104 | ||
| T31B Cover | Bronze | 2-3218-0B-206 | |
| 316 Stainless | 2-3218-0B-104 | ||
| T31C Cover | Bronze | 2-3220-0C-206 | |
| 316 Stainless | 2-3220-0C-104 | ||
| T31D Cover | Bronze | 2-3222-0D-206 | |
| 316 Stainless | 2-3222-0D-104 | ||
| T31E Cover | Bronze | 2-3224-0E-206 | |
| 316 Stainless | 2-3224-0E-104 | ||
| T31F Cover | Bronze | 2-3226-0F-206 | |
| 316 Stainless | 2-3226-0F-104 | ||
| T3G Cover | Bronze | 2-3228-0G-206 | |
| 316 Stainless | 2-3228-0G-104 | ||
| T31H Cover | Bronze | 2-3230-0H-206 | |
| 316 Stainless | 2-3230-0H-104 | ||
| 4 | Snap Ring | 18-8 Stainless | 4-2437-01-113 |
| 7 | “O” Ring/Casing | Buna | 7-2742-01-457 |
| Viton | 7-2742-01-494 | ||
| 7A | “O” Ring/Drain Plug | Buna | 7-3970-01-457 |
| Viton | 7-3970-01-494 | ||
| 8 | “O” Ring/Thru Bolts | Buna | 8-1026-01-457 |
| Viton | 8-1026-01-494 | ||
| 11 | T31A Impeller | Bronze | 11-2738-0A-207 |
| W88 Stainless - ASTM A494 | 11-2738-0A-280 | ||
| T31B Impeller | Bronze | 11-2548-0B-207 | |
| W88 Stainless - ASTM A494 | 11-2548-0B-280 | ||
| T31C Impeller | Bronze | 11-2549-0C-207 | |
| W88 Stainless - ASTM A494 | 11-2549-0C-280 | ||
| T31D Impeller | Bronze | 11-2550-0D-207 | |
| W88 Stainless - ASTM A494 | 11-2550-0D-280 | ||
| T31E Impeller | Bronze | 11-2551-0E-207 | |
| W88 Stainless - ASTM A494 | 11-2551-0E-280 | ||
| T31F Impeller | Bronze | 11-2552-0F-207 | |
| W88 Stainless - ASTM A494 | 11-2552-0F-280 | ||
| T31G Impeller | Bronze | 11-3134-0G-207 | |
| W88 Stainless - ASTM A494 | 11-3134-0G-280 | ||
| T31H Impeller | Bronze | 11-3135-0H-207 | |
| W88 Stainless - ASTM A494 | 11-3135-0H-280 | ||
| 12 | Seal Rotating Element | Buna/Carbon/316 SS | Call factory for further assistance. |
| Viton/Carbon/316 SS | |||
| 125 | Seal Stationary Seat | Ceramic | 125-2740-02-592 |
| 135 | Seal Seat Cup | Buna | 135-2741-02-457 |
| Viton | 135-2741-02-494 | ||
| 19 | Thru Bolt | Steel | 19-2435-80-080 |
| 22 | Plug/Drain - 1/8 SAE | 304 Stainless | 22-4265-01-101 |
| 23 | Key/Impeller Drive | 316 Stainless | 23-1022-01-104 |



