C41 • C51 • C61 Series Centrifugal Pumps
Flange Mounted & Flex Couple Dimensions
(Click here for Close Coupled C Series Pumps)
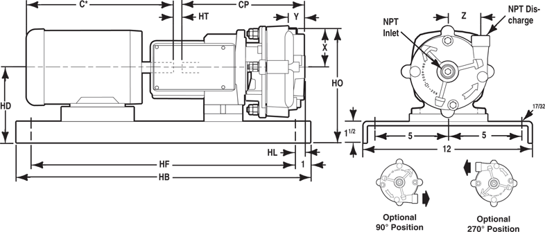
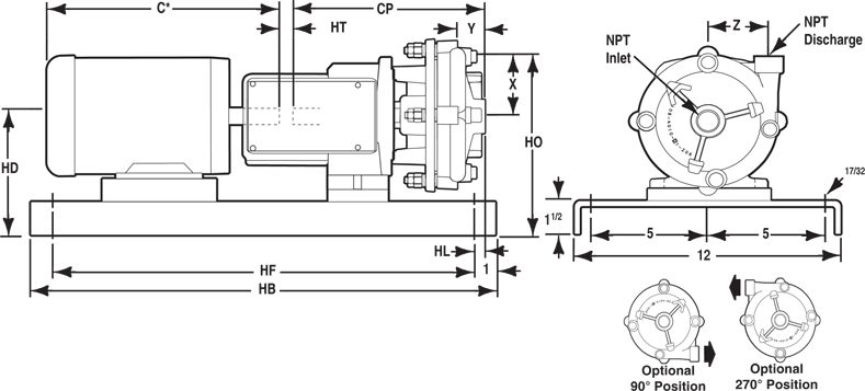
C Series Flange Mounted Pumps

Click here for further motor information
|
Pump Size |
C-AH |
||||||||
Model |
Disch. |
Imp. Dia. |
OP |
LP |
Y |
Single Phase ODP Motors |
Three Phase TEFC Motors |
|||
48 Frame |
56 Frame |
71 Frame |
80 Frame |
90 Frame |
||||||
C41AB |
1/2 |
4 |
8 |
3 |
1 11/16 |
8 5/8 |
--- |
8 13/16 |
--- |
--- |
C41BC |
3/4 |
4 |
6 3/4 |
3 1/16 |
1 3/4 |
8 5/8 |
--- |
8 13/16 |
--- |
--- |
C41CD |
1 |
4 |
8 3/16 |
3 1/16 |
2 |
8 5/8 |
--- |
8 13/16 |
--- |
--- |
C41DE |
1 1/4 |
4 |
8 3/8 |
3 1/16 |
2 1/4 |
8 5/8 |
--- |
8 13/16 |
--- |
--- |
C41EF |
1 1/2 |
4 |
8 3/8 |
3 1/8 |
2 9/16 |
8 5/8 |
1 15/16 |
8 13/16 |
9 7/16 |
--- |
C51AB |
1/2 |
5 |
8 1/2 |
3 1/16 |
1 13/16 |
8 5/8 |
--- |
8 13/16 |
--- |
--- |
C51BC |
1/2 |
5 |
8 1/2 |
3 1/8 |
1 13/16 |
8 5/8 |
11 5/16 |
8 13/16 |
9 7/16 |
--- |
C51CD |
1 |
5 |
8 5/8 |
3 1/8 |
2 |
8 5/8 |
11 5/16 |
8 13/16 |
9 7/16 |
--- |
C51DE |
1 1/4 |
5 |
9 3/16 |
3 1/16 |
2 5/16 |
--- |
11 5/16 |
--- |
9 7/16 |
--- |
C61AB |
1/2 |
6 |
8 7/8 |
3 1/8 |
2 |
--- |
11 5/16 |
--- |
9 7/16 |
--- |
C61BC |
3/4 |
6 |
9 3/8 |
3 1/8 |
1 13/16 |
--- |
11 5/16 |
--- |
9 7/16 |
11 5/16 |
C61CD |
1 |
6 |
10 1/16 |
3 1/16 |
2 5/8 |
--- |
--- |
--- |
--- |
11 5/16 |
| All units in inches | ||||||||||
C Series Flex Coupled Pumps Pedestal Mount Only

Pump Model |
Size |
CP |
DD |
L |
X |
Y |
Z |
C41AB |
1/2 X 3/4 X 4 |
8.93 |
3.27 |
5.88 |
2.54 |
1.16 |
2.33 |
C41BC |
3/4 X 1 X 4 |
9.06 |
3.27 |
6.06 |
5.64 |
1.32 |
2.43 |
C41CD |
1 X 1 1/4 X 4 |
9.27 |
3.27 |
6.27 |
2.76 |
1.51 |
2.55 |
C41DE |
1 1/4 X 1 1/2 X 4 |
9.52 |
3.44 |
6.52 |
3.26 |
1.73 |
2.75 |
C41EF |
1 1/2 X 2 X 4 |
9.86 |
3.32 |
6.86 |
3.31 |
2.03 |
2.79 |
C51AB |
1/2 X 3/4 X 5 |
9.08 |
3.53 |
6.08 |
3.06 |
1.3 |
2.75 |
C51BC |
3/4 X 1 X 5 |
9.12 |
3.49 |
6.12 |
3.05 |
1.38 |
2.83 |
C51CD |
1 X 1 1/4 X 5 |
9.23 |
3.15 |
6.23 |
2.76 |
1.47 |
2.97 |
C51DE |
1 1/4 X 1 1/2 X 5 |
9.61 |
3.93 |
6.61 |
3.72 |
1.89 |
3.07 |
C61AB |
1/2 X 3/4 X 6 |
9.29 |
3.94 |
6.29 |
3.45 |
1.48 |
3.3 |
C61BC |
3/4 X 1 X 6 |
9.12 |
4.09 |
6.12 |
3.96 |
1.31 |
3.23 |
C61CD |
1 X 1 1/4 X 6 |
9.88 |
4.09 |
6.88 |
4.65 |
2.12 |
3.17 |
| All units in inches | |||||||
C41 Series Flex Coupled Base Mounted Pumps

C41AB (1/2 X 3/4 X 4) |
||||||||||
Frame |
CP |
HB |
HD |
HF |
HL |
HO |
HT |
X |
Y |
Z |
56 |
8.93 |
24 |
5 |
22 |
0.38 |
7.54 |
0.625 |
2.54 |
1.16 |
2.33 |
143 |
8.93 |
24 |
5 |
22 |
0.38 |
7.54 |
0.625 |
2.54 |
1.16 |
2.33 |
145 |
8.93 |
24 |
5 |
22 |
0.38 |
7.54 |
0.625 |
2.54 |
1.16 |
2.33 |
182 |
8.93 |
26 |
6 |
24 |
0.38 |
8.54 |
0.75 |
2.54 |
1.16 |
2.33 |
184 |
8.93 |
26 |
6 |
24 |
0.38 |
8.54 |
0.75 |
2.54 |
1.16 |
2.33 |
C41BC (3/4 X 1 X 4) |
||||||||||
Frame |
CP |
HB |
HD |
HF |
HL |
HO |
HT |
X |
Y |
Z |
56 |
9.06 |
24 |
5 |
22 |
0.56 |
7.64 |
0.625 |
2.46 |
1.32 |
2.43 |
143 |
9.06 |
24 |
5 |
22 |
0.56 |
7.64 |
0.625 |
2.46 |
1.32 |
2.43 |
145 |
9.06 |
24 |
5 |
22 |
0.56 |
7.64 |
0.625 |
2.46 |
1.32 |
2.43 |
182 |
9.06 |
26 |
6 |
24 |
0.56 |
8.64 |
0.75 |
2.46 |
1.32 |
2.43 |
184 |
9.06 |
26 |
6 |
24 |
0.56 |
8.64 |
0.75 |
2.46 |
1.32 |
2.43 |
C41CD (1 X 1 1/4 X 4) |
||||||||||
Frame |
CP |
HB |
HD |
HF |
HL |
HO |
HT |
X |
Y |
Z |
56 |
9.52 |
24 |
5 |
22 |
1.02 |
7.76 |
0.625 |
3.26 |
1.73 |
2.75 |
143 |
9.52 |
24 |
5 |
22 |
1.02 |
7.76 |
0.625 |
3.26 |
1.73 |
2.75 |
145 |
9.52 |
24 |
5 |
22 |
1.02 |
7.76 |
0.625 |
3.26 |
1.73 |
2.75 |
182 |
9.52 |
26 |
6 |
24 |
1.02 |
8.76 |
0.75 |
3.26 |
1.73 |
2.75 |
184 |
9.52 |
26 |
6 |
24 |
1.02 |
8.76 |
0.75 |
3.26 |
1.73 |
2.75 |
C41DE (1 1/4 X 1 1/2 X 4) |
||||||||||
Frame |
CP |
HB |
HD |
HF |
HL |
HO |
HT |
X |
Y |
Z |
56 |
9.52 |
24 |
5 |
22 |
1.02 |
7.9 |
0.625 |
3.26 |
1.73 |
2.75 |
143 |
9.52 |
24 |
5 |
22 |
1.02 |
7.9 |
0.625 |
3.26 |
1.73 |
2.75 |
145 |
9.52 |
24 |
5 |
22 |
1.02 |
7.9 |
0.625 |
3.26 |
1.73 |
2.75 |
182 |
9.52 |
26 |
6 |
24 |
1.02 |
8.9 |
0.75 |
3.26 |
1.73 |
2.75 |
184 |
9.52 |
26 |
6 |
24 |
1.02 |
8.9 |
0.75 |
3.26 |
1.73 |
2.75 |
C41EF (1 1/2 X 2 X 4) |
||||||||||
Frame |
CP |
HB |
HD |
HF |
HL |
HO |
HT |
X |
Y |
Z |
56 |
9.86 |
24 |
5 |
22 |
1.36 |
7.95 |
0.625 |
3.31 |
2.03 |
2.79 |
143 |
9.86 |
24 |
5 |
22 |
1.36 |
7.95 |
0.625 |
3.31 |
2.03 |
2.79 |
145 |
9.86 |
24 |
5 |
22 |
1.36 |
7.95 |
0.625 |
3.31 |
2.03 |
2.79 |
182 |
9.86 |
26 |
6 |
24 |
1.36 |
8.95 |
0.75 |
3.31 |
2.03 |
2.79 |
184 |
9.86 |
26 |
6 |
24 |
1.36 |
8.95 |
0.75 |
3.31 |
2.03 |
2.79 |
| All units in inches | ||||||||||
C51 Series Flex Coupled Base Mounted Pumps

C51AB (1/2 X 3/4 X 5) |
||||||||||
Frame |
CP |
HB |
HD |
HF |
HL |
HO |
HT |
X |
Y |
Z |
56 |
9.08 |
24 |
5.75 |
22 |
0.58 |
8.81 |
0.625 |
3.06 |
1.3 |
2.75 |
143 |
9.08 |
24 |
5.75 |
22 |
0.58 |
8.81 |
0.625 |
3.06 |
1.3 |
2.75 |
145 |
9.08 |
24 |
5.75 |
22 |
0.58 |
8.81 |
0.625 |
3.06 |
1.3 |
2.75 |
182 |
9.08 |
26 |
6 |
24 |
0.58 |
9.06 |
0.75 |
3.06 |
1.3 |
2.75 |
184 |
9.08 |
26 |
6 |
24 |
0.58 |
9.06 |
0.75 |
3.06 |
1.3 |
2.75 |
C51BC (3/4 X 1 X 5) |
||||||||||
Frame |
CP |
HB |
HD |
HF |
HL |
HO |
HT |
X |
Y |
Z |
56 |
9.12 |
24 |
5.75 |
22 |
0.62 |
8.80 |
0.625 |
3.05 |
1.38 |
2.83 |
143 |
9.12 |
24 |
5.75 |
22 |
0.62 |
8.80 |
0.625 |
3.05 |
1.38 |
2.83 |
145 |
9.12 |
24 |
5.75 |
22 |
0.62 |
8.80 |
0.625 |
3.05 |
1.38 |
2.83 |
182 |
9.12 |
26 |
6 |
24 |
0.62 |
9.05 |
0.75 |
3.05 |
1.38 |
2.83 |
184 |
9.12 |
26 |
6 |
24 |
0.62 |
9.05 |
0.75 |
3.05 |
1.38 |
2.83 |
C51CD (1 X 1 1/4 X 5) |
||||||||||
Frame |
CP |
HB |
HD |
HF |
HL |
HO |
HT |
X |
Y |
Z |
56 |
9.23 |
24 |
5.75 |
22 |
0.73 |
8.92 |
0.625 |
2.76 |
1.47 |
2.97 |
143 |
9.23 |
24 |
5.75 |
22 |
0.73 |
8.92 |
0.625 |
2.76 |
1.47 |
2.97 |
145 |
9.23 |
24 |
5.75 |
22 |
0.73 |
8.92 |
0.625 |
2.76 |
1.47 |
2.97 |
182 |
9.23 |
26 |
6 |
24 |
0.73 |
9.17 |
0.75 |
2.76 |
1.47 |
2.97 |
184 |
9.23 |
26 |
6 |
24 |
0.73 |
9.17 |
0.75 |
2.76 |
1.47 |
2.97 |
C51DE (1 1/4 X 1 1/2 X 5) |
||||||||||
Frame |
CP |
HB |
HD |
HF |
HL |
HO |
HT |
X |
Y |
Z |
56 |
9.61 |
24 |
5 |
22 |
1.11 |
9.47 |
0.625 |
3.72 |
1.89 |
3.07 |
143 |
9.61 |
24 |
5 |
22 |
1.11 |
9.47 |
0.625 |
3.72 |
1.89 |
3.07 |
145 |
9.61 |
24 |
5 |
22 |
1.11 |
9.47 |
0.625 |
3.72 |
1.89 |
3.07 |
182 |
9.61 |
26 |
6 |
24 |
1.11 |
9.72 |
0.75 |
3.72 |
1.89 |
3.07 |
184 |
9.61 |
26 |
6 |
24 |
1.11 |
9.72 |
0.75 |
3.72 |
1.89 |
3.07 |
| All units in inches | ||||||||||
C61 Series Flex Coupled Base Mounted Pumps

C61AB (1/2 X 3/4 X 6) |
||||||||||
Frame |
CP |
HB |
HD |
HF |
HL |
HO |
HT |
X |
Y |
Z |
56 |
9.29 |
24 |
5.75 |
22 |
0.79 |
9.20 |
0.625 |
3.45 |
1.48 |
3.30 |
143 |
9.29 |
24 |
5.75 |
22 |
0.79 |
9.20 |
0.625 |
3.45 |
1.48 |
3.30 |
145 |
9.29 |
24 |
5.75 |
22 |
0.79 |
9.20 |
0.625 |
3.45 |
1.48 |
3.30 |
182 |
9.29 |
26 |
6 |
24 |
0.79 |
9.45 |
0.75 |
3.45 |
1.48 |
3.30 |
184 |
9.29 |
26 |
6 |
24 |
0.79 |
9.45 |
0.75 |
3.45 |
1.48 |
3.30 |
C61BC (3/4 X 1 X 6) |
||||||||||
Frame |
CP |
HB |
HD |
HF |
HL |
HO |
HT |
X |
Y |
Z |
56 |
9.12 |
24 |
5.75 |
22 |
0.62 |
9.20 |
0.625 |
3.96 |
1.31 |
3.23 |
143 |
9.12 |
24 |
5.75 |
22 |
0.62 |
9.20 |
0.625 |
3.96 |
1.31 |
3.23 |
145 |
9.12 |
24 |
5.75 |
22 |
0.62 |
9.20 |
0.625 |
3.96 |
1.31 |
3.23 |
182 |
9.12 |
26 |
6 |
24 |
0.62 |
9.45 |
0.75 |
3.96 |
1.31 |
3.23 |
184 |
9.12 |
26 |
6 |
24 |
0.62 |
9.45 |
0.75 |
3.96 |
1.31 |
3.23 |
C61CD (1 X 1 1/4 X 6) |
||||||||||
Frame |
CP |
HB |
HD |
HF |
HL |
HO |
HT |
X |
Y |
Z |
56 |
9.88 |
24 |
5.75 |
22 |
1.38 |
8.92 |
0.625 |
4.65 |
2.12 |
3.17 |
143 |
9.88 |
24 |
5.75 |
22 |
1.38 |
8.92 |
0.625 |
4.65 |
2.12 |
3.17 |
145 |
9.88 |
24 |
5.75 |
22 |
1.38 |
8.92 |
0.625 |
4.65 |
2.12 |
3.17 |
182 |
9.88 |
26 |
6 |
24 |
1.38 |
9.17 |
0.75 |
4.65 |
2.12 |
3.17 |
184 |
9.88 |
26 |
6 |
24 |
1.38 |
9.17 |
0.75 |
4.65 |
2.12 |
3.17 |
| All units in inches | ||||||||||
Click here to return to the C Series Product Information Page.
For a copy of the C Series Manual and C Series Parts List, go to the Product Support Page.
Download a printable version of the C Series Product Bulletin in .pdf format.
Download the complete C Series Series Section (curves and dimensions) from the Standard Products Catalog.
